How To Get A Starter To Turn Over . Web if your starter works but the engine won’t turn over, it could be due to a problem with the battery, the ignition. Web if you don’t hear a noise when you turn the key or press the start button, your battery probably isn’t providing. Before you do anything else, you need to check. Web car not starting or turning over help | a step by step guide. Web how to start a car with a bad starter. Web set the device for 12v and connect the voltmeter to your battery terminals. Turn on your car’s headlights and take the reading.
from fixenginepreviously.z21.web.core.windows.net
Web car not starting or turning over help | a step by step guide. Web how to start a car with a bad starter. Web set the device for 12v and connect the voltmeter to your battery terminals. Web if your starter works but the engine won’t turn over, it could be due to a problem with the battery, the ignition. Before you do anything else, you need to check. Turn on your car’s headlights and take the reading. Web if you don’t hear a noise when you turn the key or press the start button, your battery probably isn’t providing.
Starter Works But Engine Won't Turn Over
How To Get A Starter To Turn Over Web set the device for 12v and connect the voltmeter to your battery terminals. Turn on your car’s headlights and take the reading. Web car not starting or turning over help | a step by step guide. Web if your starter works but the engine won’t turn over, it could be due to a problem with the battery, the ignition. Web if you don’t hear a noise when you turn the key or press the start button, your battery probably isn’t providing. Before you do anything else, you need to check. Web set the device for 12v and connect the voltmeter to your battery terminals. Web how to start a car with a bad starter.
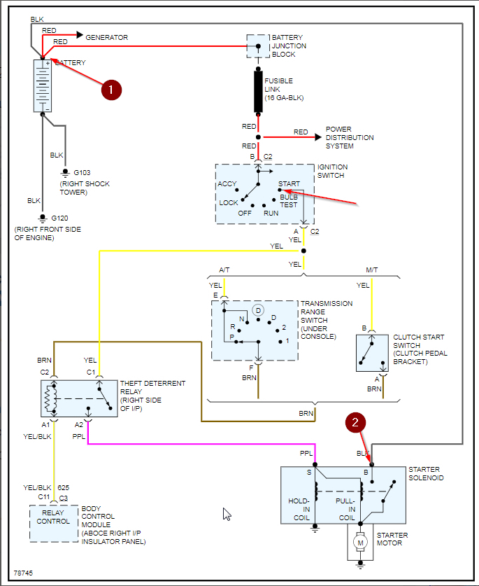
From automotorpad.com
94 Ford ranger turns over but wont start How To Get A Starter To Turn Over Web how to start a car with a bad starter. Web if your starter works but the engine won’t turn over, it could be due to a problem with the battery, the ignition. Turn on your car’s headlights and take the reading. Web car not starting or turning over help | a step by step guide. Web if you don’t. How To Get A Starter To Turn Over.
From www.dieselbombers.com
Help needed starter will not engage. Engine will not turn over How To Get A Starter To Turn Over Web how to start a car with a bad starter. Web car not starting or turning over help | a step by step guide. Web if your starter works but the engine won’t turn over, it could be due to a problem with the battery, the ignition. Web if you don’t hear a noise when you turn the key or. How To Get A Starter To Turn Over.
From repairmachinealgid.z21.web.core.windows.net
Starter Works But Engine Won't Turn Over How To Get A Starter To Turn Over Web set the device for 12v and connect the voltmeter to your battery terminals. Before you do anything else, you need to check. Web if your starter works but the engine won’t turn over, it could be due to a problem with the battery, the ignition. Web car not starting or turning over help | a step by step guide.. How To Get A Starter To Turn Over.
From www.sportskeeda.com
10 strongest starter Pokemon in the franchise so far, ranked How To Get A Starter To Turn Over Web if you don’t hear a noise when you turn the key or press the start button, your battery probably isn’t providing. Web if your starter works but the engine won’t turn over, it could be due to a problem with the battery, the ignition. Turn on your car’s headlights and take the reading. Web set the device for 12v. How To Get A Starter To Turn Over.
From www.lawnsite.com
Dixon zero turn quit working...help!!! Lawn Care How To Get A Starter To Turn Over Web if your starter works but the engine won’t turn over, it could be due to a problem with the battery, the ignition. Web if you don’t hear a noise when you turn the key or press the start button, your battery probably isn’t providing. Web how to start a car with a bad starter. Web set the device for. How To Get A Starter To Turn Over.
From repairenginesherry77.z21.web.core.windows.net
Ford F150 Turns Over But Wont Start How To Get A Starter To Turn Over Web if your starter works but the engine won’t turn over, it could be due to a problem with the battery, the ignition. Turn on your car’s headlights and take the reading. Web how to start a car with a bad starter. Web if you don’t hear a noise when you turn the key or press the start button, your. How To Get A Starter To Turn Over.
From fixmachinedehartpips.z21.web.core.windows.net
Vehicle Turns Over But Won't Start How To Get A Starter To Turn Over Web set the device for 12v and connect the voltmeter to your battery terminals. Web if you don’t hear a noise when you turn the key or press the start button, your battery probably isn’t providing. Web if your starter works but the engine won’t turn over, it could be due to a problem with the battery, the ignition. Turn. How To Get A Starter To Turn Over.
From www.ford-trucks.com
Trying to get starter to turn over 8ba Ford Truck Enthusiasts Forums How To Get A Starter To Turn Over Turn on your car’s headlights and take the reading. Web if you don’t hear a noise when you turn the key or press the start button, your battery probably isn’t providing. Web how to start a car with a bad starter. Before you do anything else, you need to check. Web set the device for 12v and connect the voltmeter. How To Get A Starter To Turn Over.
From axleaddict.com
Car Starter Problems? Five StartingSystem Inspection Tips AxleAddict How To Get A Starter To Turn Over Turn on your car’s headlights and take the reading. Web set the device for 12v and connect the voltmeter to your battery terminals. Web how to start a car with a bad starter. Web if your starter works but the engine won’t turn over, it could be due to a problem with the battery, the ignition. Web car not starting. How To Get A Starter To Turn Over.
From www.liveabout.com
What to Do When Your Car Won't Start or Turn Over How To Get A Starter To Turn Over Web if your starter works but the engine won’t turn over, it could be due to a problem with the battery, the ignition. Web if you don’t hear a noise when you turn the key or press the start button, your battery probably isn’t providing. Web set the device for 12v and connect the voltmeter to your battery terminals. Turn. How To Get A Starter To Turn Over.
From mechanicbase.com
Why Won't My Car Turn Over When It Has Power? How To Get A Starter To Turn Over Web if you don’t hear a noise when you turn the key or press the start button, your battery probably isn’t providing. Web if your starter works but the engine won’t turn over, it could be due to a problem with the battery, the ignition. Web set the device for 12v and connect the voltmeter to your battery terminals. Web. How To Get A Starter To Turn Over.
From mydiagram.online
[DIAGRAM] Harley Davidson Starter Diagram How To Get A Starter To Turn Over Turn on your car’s headlights and take the reading. Web if your starter works but the engine won’t turn over, it could be due to a problem with the battery, the ignition. Before you do anything else, you need to check. Web if you don’t hear a noise when you turn the key or press the start button, your battery. How To Get A Starter To Turn Over.
From www.wiringdigital.com
Engine Relay Wiring Diagram Wiring Digital and Schematic How To Get A Starter To Turn Over Web car not starting or turning over help | a step by step guide. Turn on your car’s headlights and take the reading. Web if your starter works but the engine won’t turn over, it could be due to a problem with the battery, the ignition. Web if you don’t hear a noise when you turn the key or press. How To Get A Starter To Turn Over.
From lawnask.com
Riding Mower Turns Over But Won’t Start 6 Ways to Fix LawnAsk How To Get A Starter To Turn Over Web set the device for 12v and connect the voltmeter to your battery terminals. Web car not starting or turning over help | a step by step guide. Web if your starter works but the engine won’t turn over, it could be due to a problem with the battery, the ignition. Turn on your car’s headlights and take the reading.. How To Get A Starter To Turn Over.
From repairmachinealgid.z21.web.core.windows.net
Starter Clicks But Engine Won't Turn Over How To Get A Starter To Turn Over Web car not starting or turning over help | a step by step guide. Web set the device for 12v and connect the voltmeter to your battery terminals. Before you do anything else, you need to check. Web if your starter works but the engine won’t turn over, it could be due to a problem with the battery, the ignition.. How To Get A Starter To Turn Over.
From www.youtube.com
How to Test an ATV Starter! YouTube How To Get A Starter To Turn Over Web car not starting or turning over help | a step by step guide. Web if your starter works but the engine won’t turn over, it could be due to a problem with the battery, the ignition. Turn on your car’s headlights and take the reading. Web how to start a car with a bad starter. Web if you don’t. How To Get A Starter To Turn Over.
From garagerepairplebbier.z21.web.core.windows.net
Starter Works But Engine Won T Turn Over How To Get A Starter To Turn Over Web if you don’t hear a noise when you turn the key or press the start button, your battery probably isn’t providing. Web how to start a car with a bad starter. Web car not starting or turning over help | a step by step guide. Turn on your car’s headlights and take the reading. Web if your starter works. How To Get A Starter To Turn Over.
From www.diagramelectric.co
Starter Ignition Switch Wiring Diagram Chevy Truck » Wiring Diagram How To Get A Starter To Turn Over Web how to start a car with a bad starter. Web if your starter works but the engine won’t turn over, it could be due to a problem with the battery, the ignition. Web car not starting or turning over help | a step by step guide. Before you do anything else, you need to check. Web if you don’t. How To Get A Starter To Turn Over.